partner-offering-banner.png

HSR & PRP Network Redundancy (IEC62439-3)

NetTimeLogic GmbH

Select

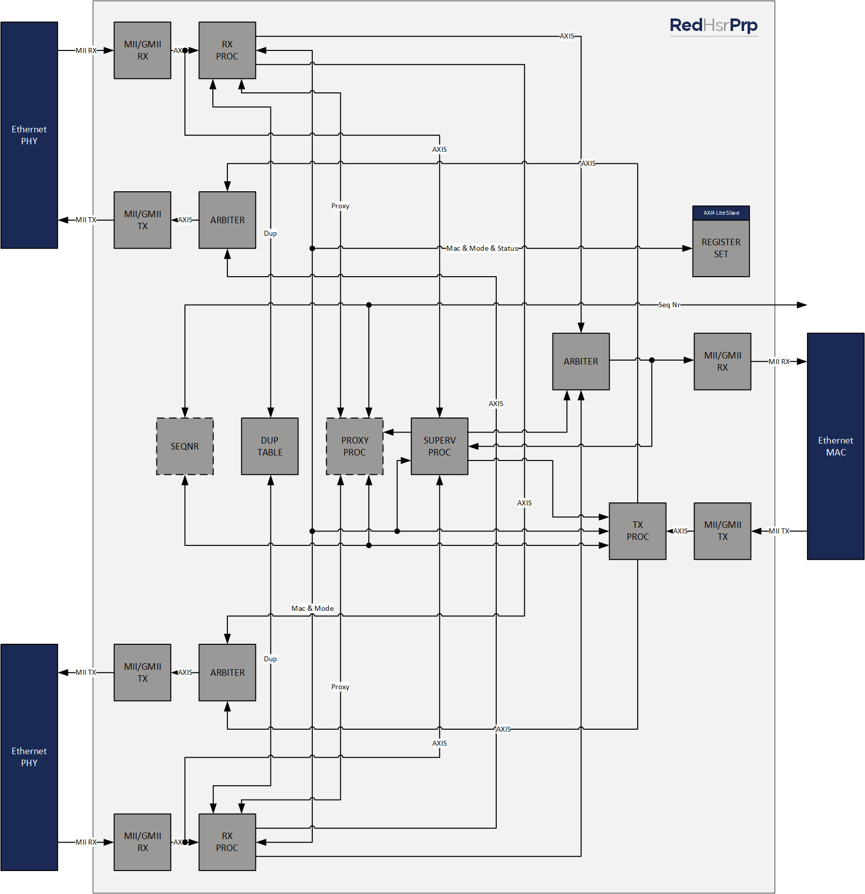
The HSR & PRP Core from NetTimeLogic is a standalone Network Redundancy Core according to IEC62439-3 rev3. It allows connection to a redundant network supporting either the Parallel Redundancy Protocol (PRP) or the High-availability Seamless Redundancy Protocol (HSR). It can either run as a Dual Attached Node (DAN) being an endpoint or it can run as a Redundancy Box (RedBox) bridging between a redundant and a non-redundant network.

Key Features

  • Supports the HSR and PRP redundancy protocol according to IEC62439-3 rev 3
  • Can run as Dual Attached Node (DAN) or as Redundancy Box (RedBox)
  • Supports HSR Mode H and Mode X and PRP Duplicate Discard Mode
  • PTP aware for use with PTP Utility Profile and TSN
  • Intercepts path between MAC and two PHYs (DAN)
  • or three PHYs (RedBox)
  • Configurable number of maximum nodes supported on Ports A&B and Port C
  • Full line speed
  • Hardware supervision frame handling
  • AXI4 Light register set or static configuration
Expand Close
Keyfeatures main image

Offering Brief

Offering Brief

Device Family Arria® 10 SX SoC FPGA, Cyclone® III FPGA, Cyclone® IV GX FPGA, Agilex® 5 FPGAs and SoC FPGAs E-Series, MAX® 10 FPGA, Cyclone® V SX SoC FPGA, Arria® V GZ FPGA, Agilex® 9 FPGAs and SoC FPGAs Direct RF-Series, Agilex® 7 FPGAs and SoC FPGAs I-Series, Arria® V SX SoC FPGA, Stratix® 10 DX FPGA, Stratix® 10 SX SoC FPGA, Agilex® 7 FPGAs and SoC FPGAs M-Series, Cyclone® V GT FPGA, Arria® 10 GT FPGA, Arria® V ST SoC FPGA, Arria® 10 GX FPGA, Stratix® 10 TX FPGA, Cyclone® V SE SoC FPGA, Stratix® IV E FPGA, Stratix® IV GX FPGA, Arria® V GX FPGA, Cyclone® V E FPGA, Agilex® 3 FPGAs and SoC FPGAs C-Series, Cyclone® V GX FPGA, Stratix® V GS FPGA, Stratix® V GX FPGA, Cyclone® V ST SoC FPGA, Agilex® 5 FPGAs and SoC FPGAs D-Series, Stratix® 10 GX FPGA, Arria® V GT FPGA, Cyclone® 10 LP FPGA, Agilex® 7 FPGAs and SoC FPGAs F-Series, Cyclone® 10 GX FPGA, Cyclone® IV E FPGA, Stratix® 10 AX SoC FPGA
Offering Status Production
Demo No
Integrated Testbench Yes
Evaluation License Yes
Design Examples Available Yes
Compliance No
Latest Quartus Version Supported 25.1.0
OS Support Not required
Development Language VHDL

Source Code

Ordering Information

Documentation & Resources

Market Segment and Sub-Segments